第11回 寸法の書き方 Part5
第3章-5
第3章 寸法の書き方
7. 参考寸法・重複寸法・テーパ・こう配
- 参考寸法
寸法数値をカッコでくくります。読み手に寸法計算をさせないように、また一般公差が重複することによる矛盾をさけるために、参考寸法を使用します。 - 重複寸法
寸法は重複寸法を避けます。ただし、重複寸法を記入した方が図の理解を容易にする場合には、寸法の重複記入してもかまいません。 - テーパの指示
テーパの指示は、引出線を用いて記入します。テーパの向きを示す図記号は、テーパの方向と一致させて描きます。 - こう配の指示
こう配の指示は、引出線を用いて記入します。こう配の向きを示す図記号は、こう配の方向と一致させて描きます。
注記:●は重複寸法
8. 穴・ねじ穴の寸法
- 穴寸法、ねじ穴の寸法
個数→寸法→加工方法→深さの順序に記入します。但し、個数が一個の場合は個数を省略してもかまいません。また、貫通穴のときは、穴の深さを記入する必要はありません。 - ざぐり穴の寸法
ざぐり穴の直径の前に、ざぐりを示す記号を記入します。
また、穴深さ1mm程度の浅いざぐりの場合は、図示しないこともあります。 - 皿ざぐり穴の寸法
皿ざぐり穴の記号の後に、皿ざぐり穴の入り口の直径を記入します。 - ねじ穴の簡略寸法
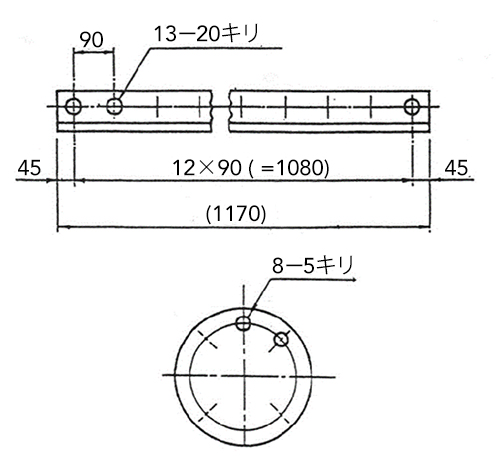
- 同一間隔で連続する 同一寸法の穴の配置を示す寸法
穴の加工法を問わない場合の寸法記入

図a

図b

図c

図d
